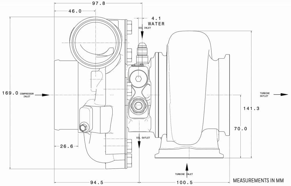
G25_550_Drawing

Turbocharger Measurements G25 550