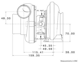
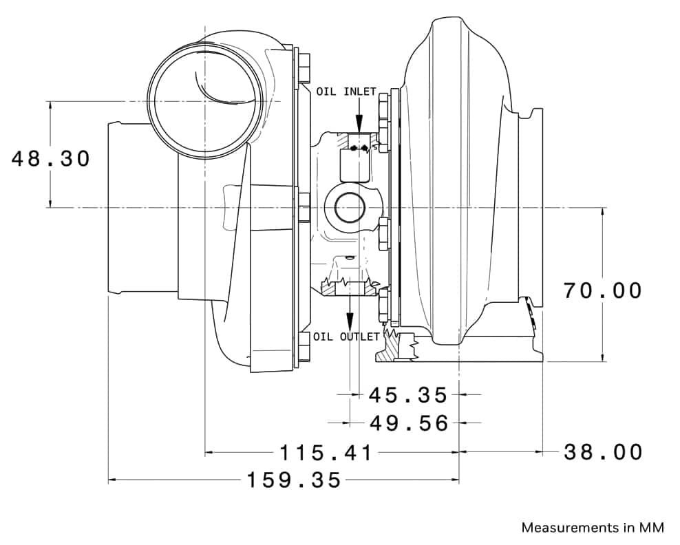
GTX2976R_DIAGRAM