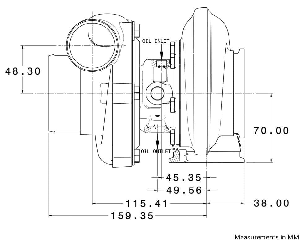
GTX2967R_DIAGRAM