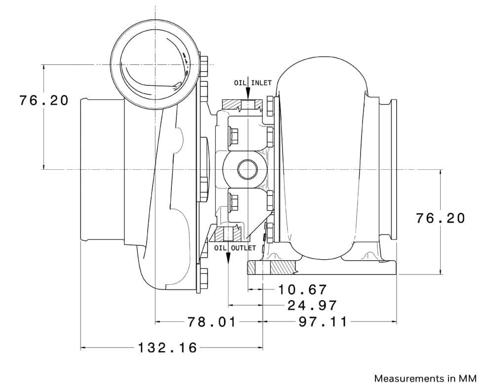
GTW3884R_DIAGRAM